IPS INDIA
.
Home
About Us
Products
Hex Nuts
Hex Head Bolt Screw
Socket Head Cap Screw
Socket Set Screw
Socket Button Head Cap Screw
Socket Counter Sunk Head Screw
Manufacturing
RAW MATERIAL & WIRE PROCESSING
HEAT TREATMENT
HOT FORGING
SURFACE TREATMENT
COLD FORGING
QUALITY
SECONDARY OPERATIONS
PACKING
Industry
Strategy
Contact
Hex Head Bolt Screws
Products
Hex Head Bolt Screws
High quality steel for good strength & wear resistance.
Controlled Hexagon for maximum wrenching strength.
Uniform & uninterrupted grain flow for greater strength.
Smooth fillet radius to withstand head soundness.
Controlled mechanical properties for higher strength.
Formed threads with improved root radius provide greater strength to threads
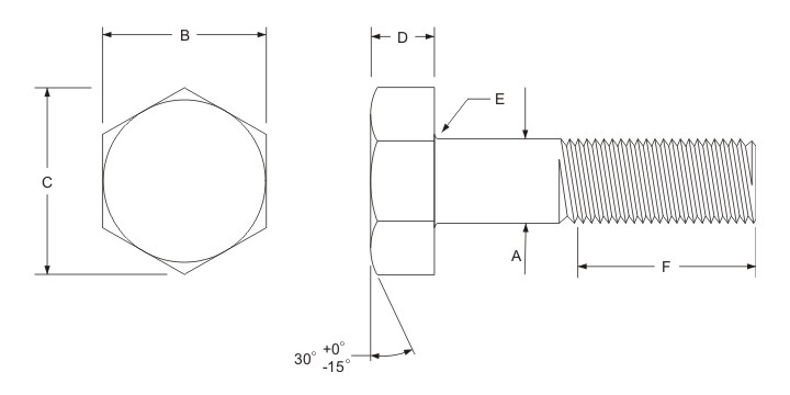
Hex Head Bolt Screws Dimensions
IPS Range of Hex Head Bolt Screws
Product
Range
Grade
Standard
Threads
Hex Head Screws
M5 to M48
10.9
ISO4017/DIN933
Full Thread
Hex Head Bolt
M5 to M48
10.9
ISO4014/DIN931
Half Thread
Hex Head Screws
1/4 to 1" BSW Thread
T
BS:1768,ANSI B-18,2.1
Full Thread
Hex Head Screws
Special Items
As per customer drawings only
HOME | IPS INDIA